Email:sales@elemro.com
Tel:
Sign In
/
Sign Up
简体中文
English
ภาษาไทย
Currency
CNY
UDK
Search
Shopping Cart (0)
All Commodities
Home
Professional Selection
Quick Order
Home
Switching Mode Power Supply
MeanWell
SP Series
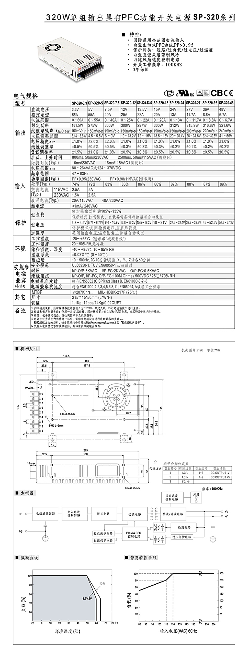
PFC Switched switching power supply
PFC Switched switching power supply
ELEMRO Price:
?.??
¥792.00个
Service Charge:
0~3%
Brand:
MeanWell
Order Number:
SP-320-24
Series:
SP Series
Model:
SP-320-24
Category:
Switching Mode Power Supply
Parameter:
88-264VAC/124-370VDC | 24V | 320W
Packaging Specification:
Channel:
Stock
Futures
Delivery Time:
Stock:
0
(
)
¥?.??
个
Add To Cart
Buy Now
clear
Param Filter
Product Information
Parameter
Stock
Promotion Price
Delivery Time
Quantity
No Data
1
Total:
0.00
Selected
0
types, Total:
0
Add To Cart
Buy Now
<?xml version="1.0" encoding="UTF-8"?>
icon_购物车